
Фирма "Bomag" является одним из мировых лидеров в производстве не только дорожных катков, но и виброплит (bomag, каток bomag, bomag bw, дорожные катки bomag, виброкаток, бетоноукладчик, дорожные катки, дорожная техника, виброплита, грейдер). Она предлагает широкий выбор виброплит, предназначенных для использования как при строительстве дорог, так и при проведении коммунальных работ.
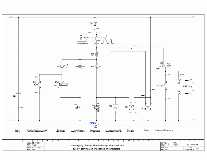
Bomag Circuit Diagrams (Electric schematic, Hydraulic schematic Diagrams) Сборник документации по электрическим и гидравлическим диаграммам техники Bomag
Bomag Circuit Diagrams (Electric schematic, Hydraulic schematic Diagrams)
Bomag BW 75 S−2
Bomag BW 6
Bomag BW 24 R
Bomag BW 75 AD−2
Bomag BW 24/27 RH
Bomag BC 671/771 − RS
Bomag BC 571/671/771−RB
Bomag BC 972 RB / series BC 571−771 RB/RS EPA II
Bomag BC 671..972 RB/RS EPA II
Bomag BC 572 RB (EPA II / ERM II)
Bomag BC 672..1172 EB/RB/RS (EMR II)
Bomag BC 672..1172 EB/RB/RS
Bomag BC 572 RB
Bomag BC 772..1172 RB / TIER III
Bomag BW 211−3/C840-C842C
Bomag BW 212..225−3 with Cummins, Perkins and Deutz engine
Bomag BW 156..178−3 with X−COM terminals
Bomag BW 145−3/C820..C825C
Bomag BW 177..178−3/C830..C835C
Bomag BW 124−3/C812..C815C
Bomag BW 212..225−3
Bomag BW 212..225−3/C850..C855C
Bomag BW 211−3 / C840C
Bomag BW 177..226 DH−4
Bomag BW 177..216 D−4
Bomag BW 177..219 D−4
Bomag BW 177..216 DHC−4/DH−40
Bomag BW 177..219 D−4/D−40
Bomag BW 211−219 D−4 Tier III
Bomag MPH 121
Bomag MPH 122 / EMR II
Bomag MPH 122 (EMR II)
Bomag MPH 122−2
Bomag BW 161 AD/AC−2, BW 164 AD/AC−2, BW 202 AD/ADH−2
Bomag BPR 30/38, 40/45, 50/52 mit Yanmar−Motor
Bomag BPR 30/38D, 40/45D mit Hatz−Motor
Bomag BPR 65/70 Hatz engine
Bomag BPR 65/70 D engine Hatz 1D81
Bomag BPR 45/55 Honda
Bomag BPR 45/55 D, 55/65 D preserie Motor Lombardini 15 LD 440
Bomag BPR 45/55D, 55/65D Lombardini engine
Bomag BPR 50/52, 75/60 D−2, HD−2 mit HATZ−Motor
Bomag BPR 75/60 D−3/HD−3
Bomag BPR 75/60 −3 / HD−3
Bomag BPR 65/52 D−3 Hatz
Bomag BPH 80/65 S
Bomag BPH 80/65
Bomag BMP 851
Bomag BW 131 AD−2; BW 131 ACW−2; BW 115 AD−2; BW 115 ACW−2
Bomag BW 100/120 AD/AC−3, BW 125 ADH/ACH, BW 135−138 AD/AC
Bomag BW 100/120 AD/AC−3, BW 125 ADH, BW 135−138 AD/AC, C747B...C754B
Bomag BW 71 E−2, Hatz engine 1B20
Bomag BW 71 EHB−2, engine Hatz 1B40
Bomag BW 80/90AD−2, BW 100ADM−2, BW 90AC−2, BW 80ADS
Bomag BW 80/90 AD−2, BW 100 ADM−2, BW 90 AC−2, BW 80 ADS
Bomag BW 900−2
Bomag BW 62−65H, Hatz−Motor
Bomag BW 75 H with Yanmar engine
Bomag BW 141AD−2, BW 151AD/ADH/AC−2, BW 144AD/AC−2/BVM, BW 154AD/AC−2/BVM
Bomag BW 141AD−2, BW 151AD/ADH/AC−2, BW 144 AD−2 AM, BW 154AD−2 AM
Bomag BW 141AD−2, BW 151AD/ADH/AC−2, BW 144 AD−2 AM, BW 154AD−2 AM, C760C
Bomag BW 170AD, BW 174AD, BVM
Bomag BW 170 AD, BW 174 AD/AC, BW 174 AD BVM
Bomag BW 180 AD, BW 184 AD, variomatic
Bomag BW 180 family, BW 170 family
Bomag BW 170/180 family, BW 184 AD AM−2
Bomag BW 170−2 family / BW 184−2 family
Bomag BW170AD/AC−2 AM, BW174AD/AC−2, BW174AD−2 AM, BW184AD−2, BW184AD−2 AM
Bomag BW 100 AD/AC−4, BW 120 AD/AC−4
Bomag BW 100 AD/AC−4, BW 120 AD/AC−4, BW 125 AD−4
Bomag BW 161−4..BW 202−4 family
Bomag BW 141−4..BW 154−4 family / BW 161−4..BW 203−4 family
Bomag BW 141−4..BW 203−4
Bomag BW 141−4..BW 203−4 family
Bomag BW 900
Bomag BW 6
Bomag BW 24 R
Bomag BW 75 AD−2
Bomag BW 24/27 RH
Bomag BC 671/771 − RS
Bomag BC 571/671/771−RB
Bomag BC 972 RB / series BC 571−771 RB/RS EPA II
Bomag BC 671..972 RB/RS EPA II
Bomag BC 572 RB (EPA II / ERM II)
Bomag BC 672..1172 EB/RB/RS (EMR II)
Bomag BC 672..1172 EB/RB/RS
Bomag BC 572 RB
Bomag BC 772..1172 RB / TIER III
Bomag BW 211−3/C840-C842C
Bomag BW 212..225−3 with Cummins, Perkins and Deutz engine
Bomag BW 156..178−3 with X−COM terminals
Bomag BW 145−3/C820..C825C
Bomag BW 177..178−3/C830..C835C
Bomag BW 124−3/C812..C815C
Bomag BW 212..225−3
Bomag BW 212..225−3/C850..C855C
Bomag BW 211−3 / C840C
Bomag BW 177..226 DH−4
Bomag BW 177..216 D−4
Bomag BW 177..219 D−4
Bomag BW 177..216 DHC−4/DH−40
Bomag BW 177..219 D−4/D−40
Bomag BW 211−219 D−4 Tier III
Bomag MPH 121
Bomag MPH 122 / EMR II
Bomag MPH 122 (EMR II)
Bomag MPH 122−2
Bomag BW 161 AD/AC−2, BW 164 AD/AC−2, BW 202 AD/ADH−2
Bomag BPR 30/38, 40/45, 50/52 mit Yanmar−Motor
Bomag BPR 30/38D, 40/45D mit Hatz−Motor
Bomag BPR 65/70 Hatz engine
Bomag BPR 65/70 D engine Hatz 1D81
Bomag BPR 45/55 Honda
Bomag BPR 45/55 D, 55/65 D preserie Motor Lombardini 15 LD 440
Bomag BPR 45/55D, 55/65D Lombardini engine
Bomag BPR 50/52, 75/60 D−2, HD−2 mit HATZ−Motor
Bomag BPR 75/60 D−3/HD−3
Bomag BPR 75/60 −3 / HD−3
Bomag BPR 65/52 D−3 Hatz
Bomag BPH 80/65 S
Bomag BPH 80/65
Bomag BMP 851
Bomag BW 131 AD−2; BW 131 ACW−2; BW 115 AD−2; BW 115 ACW−2
Bomag BW 100/120 AD/AC−3, BW 125 ADH/ACH, BW 135−138 AD/AC
Bomag BW 100/120 AD/AC−3, BW 125 ADH, BW 135−138 AD/AC, C747B...C754B
Bomag BW 71 E−2, Hatz engine 1B20
Bomag BW 71 EHB−2, engine Hatz 1B40
Bomag BW 80/90AD−2, BW 100ADM−2, BW 90AC−2, BW 80ADS
Bomag BW 80/90 AD−2, BW 100 ADM−2, BW 90 AC−2, BW 80 ADS
Bomag BW 900−2
Bomag BW 62−65H, Hatz−Motor
Bomag BW 75 H with Yanmar engine
Bomag BW 141AD−2, BW 151AD/ADH/AC−2, BW 144AD/AC−2/BVM, BW 154AD/AC−2/BVM
Bomag BW 141AD−2, BW 151AD/ADH/AC−2, BW 144 AD−2 AM, BW 154AD−2 AM
Bomag BW 141AD−2, BW 151AD/ADH/AC−2, BW 144 AD−2 AM, BW 154AD−2 AM, C760C
Bomag BW 170AD, BW 174AD, BVM
Bomag BW 170 AD, BW 174 AD/AC, BW 174 AD BVM
Bomag BW 180 AD, BW 184 AD, variomatic
Bomag BW 180 family, BW 170 family
Bomag BW 170/180 family, BW 184 AD AM−2
Bomag BW 170−2 family / BW 184−2 family
Bomag BW170AD/AC−2 AM, BW174AD/AC−2, BW174AD−2 AM, BW184AD−2, BW184AD−2 AM
Bomag BW 100 AD/AC−4, BW 120 AD/AC−4
Bomag BW 100 AD/AC−4, BW 120 AD/AC−4, BW 125 AD−4
Bomag BW 161−4..BW 202−4 family
Bomag BW 141−4..BW 154−4 family / BW 161−4..BW 203−4 family
Bomag BW 141−4..BW 203−4
Bomag BW 141−4..BW 203−4 family
Bomag BW 900
Bomag, электрическая схема, принципиальная схема электрическая, руководство по ремонту, электросхемы, принципиальные схемы, гидравлические схемы, бомаг














